Home     About Us    Products    Technology     e-mail to Edit

Korean

Enrich Dream in Trust

Micro Vibrator Motor Maker
CDMA/GSM,PCS,PDA,IMT-2000,PAGER,

 


   Characteristics of EDIT Vibration Motorst

EDIT motors were developed by the skilled technical engineers with a wealth of on-site experience and the outstanding level of technology, also as a result of excellent production technology and quality management.
Especially EDIT Coreless Type Motors keep the basic principle thoroughly.
Coreless motors, which are using commutators with 6 component materials, can extend the lifetime and cut off the noise which can be produced during operating in the cellular phone.
Therefore it can be clearly distinguished from other general motors which use 2 or 4 component materials.
In addition to this, we applied superior materials to the core parts like magnet, which it can produce excellent electrical and environmental characteristics.

 

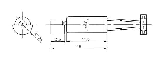
   Edit Vibration Motor Specfications(ECM 40-20-13SA)
 

   Diameter

  4 mm

   Length

  19.5 mm

   Weight

  1.32g

   Rated Voltage

  1.3 V DC

   Rated Current

  70mA

   Stall Current

  120mA

   Starting Voltage

  0.6 V DC

   Rated RPM

  9,000~12,000+/-2000

   Armature Resistance

  13.5 Ohm +/- 20%


About the vibration motor

Motor is divided into cored motor and coreless motor.
Core motor was applied to the most mobile phone in the beginning stage.
Recently mobile phone manufacturers use coreless motor due to the electronic wave and noise caused by cored motor.
Also there are many test for applying brushless motor to mobile phone.
It is necessary to cooperates with mobile phone manufacturer to install the starting driver in the mobile phone

 

  ECM-40-20-13SA

Diameter

Length

Rated
Voltage
(v)

Rated
Speed
(rpm)

Rated
Current
(mA)

Stall
Current
(mA)

Starting
Voltage
(v)

Weight
(g)

4

19.5

1.3

9000

70

120

0.6

1.32

  ECM-40-20-13SB

Diameter

Length

Rated
Voltage
(v)

Rated
Speed
(rpm)

Rated
Current
(mA)

Stall
Current
(mA)

Starting
Voltage
(v)

Weight
(g)

4

20

1.3

9000

70

120

0.6

1.35

  ECM-40-20-13CN

Diameter

Length

Rated
Voltage
(v)

Rated
Speed
(rpm)

Rated
Current
(mA)

Stall
Current
(mA)

Starting
Voltage
(v)

Weight
(g)

4

19.5

1.3

9000

70

120

0.6

1.38

  ECM-40-20-13HL

Diameter

Length

Rated
Voltage
(v)

Rated
Speed
(rpm)

Rated
Current
(mA)

Stall
Current
(mA)

Starting
Voltage
(v)

Weight
(g)

4

19.5

1.3

9000

70

120

0.6

1.56

  ECM-40-16-13(30)SA

Diameter

Length

Rated
Voltage
(v)

Rated
Speed
(rpm)

Rated
Current
(mA)

Stall
Current
(mA)

Starting
Voltage
(v)

Weight
(g)

4

16.5

1.3

9000

65

90

0.6

1.15

3.0

70

1.6

  ECM-40-16-13(30)CT

Diameter

Length

Rated
Voltage
(v)

Rated
Speed
(rpm)

Rated
Current
(mA)

Stall
Current
(mA)

Starting
Voltage
(v)

Weight
(g)

4

16.3

1.3

9000

65

90

0.6

1.08

3.0

70

1.6

  ECM-40-15-13SA

Diameter

Length

Rated
Voltage
(v)

Rated
Speed
(rpm)

Rated
Current
(mA)

Stall
Current
(mA)

Starting
Voltage
(v)

Weight
(g)

4

15

1.3

9000

65

90

0.6

0.95

3.0

70

1.6

  ECM-40-15-13CN

Diameter

Length

Rated
Voltage
(v)

Rated
Speed
(rpm)

Rated
Current
(mA)

Stall
Current
(mA)

Starting
Voltage
(v)

Weight
(g)

4

15

1.3

9000

65

90

0.6

0.95

3.0

70

1.6

  ECM-40-15-13RH

Diameter

Length

Rated
Voltage
(v)

Rated
Speed
(rpm)

Rated
Current
(mA)

Stall
Current
(mA)

Starting
Voltage
(v)

Weight
(g)

4

15

1.3

9000

65

90

0.6

1.23

3.0

70

1.6

  EDM-428-16-13SD

Diameter

Length

Rated
Voltage
(v)

Rated
Speed
(rpm)

Rated
Current
(mA)

Stall
Current
(mA)

Starting
Voltage
(v)

Weight
(g)

4.2(4.8)

16.2

1.3

7000

90

140

0.6

1.60

(c)1999 www.editco.co.kr All rights reserved. @Contact the webmaster   Phone 82-31-749-4997  Fax. 82-31-749-4999